Güç elektroniği alanının önemli bir kısmı güç dönüştürme süreçlerine odaklanmaktadır. Bu doğrultuda, yaklaşık on yıl önce, temel bir başvuru kaynağı olması amacıyla burada bulabileceğiniz “Flyback Converter Tasarımı” başlıklı yazı serisini paylaşarak konunun bilinirliğini artırmayı hedefledim. Flyback dönüştürücüler, burada daha önce de değindiğimiz gibi, genellikle 200 W’a kadar olan güç seviyelerinde yaygın şekilde kullanılır. Ancak çıkış akımının yüksek olduğu ve daha büyük güçlerin söz konusu olduğu uygulamalarda, eleman sınırları nedeniyle farklı topolojilere yönelmek gerekmektedir. Bu arayış sırasında, eski literatürde tek anahtarlı forward dönüştürücünün sıklıkla önerildiğine rastlamaktayız.
Tek anahtarlı forward dönüştürücü, yapısal olarak basit görünse de primer taraftaki anahtarın maruz kaldığı gerilim stresi, giriş geriliminin en az iki katı seviyesinde olmaktadır. Ayrıca, trafonun manyetik akısının doğru şekilde resetlenebilmesi için yüksek gerilimli üçüncü bir sargının eklenmesi zorunludur. Bu durum, trafonun tasarımını karmaşıklaştırmakla kalmayıp, reset sargısında kullanılan diyot nedeniyle elektromanyetik girişim (EMI) sorunlarının ortaya çıkmasına da sebep olabilir. Dolayısıyla, trafo maliyeti artmakta ve oluşabilecek EMI problemlerini önlemek amacıyla ek filtreleme çözümleri kullanmak gerekmektedir. Tüm bu nedenlerle, ben iki anahtarlı forward dönüştürücü topolojisini tek anahtarlı yapıya kıyasla daha uygun ve avantajlı buluyorum.
Forward Converter Topolojisi Tarihi
İlk Forward Converter yapısı, transistörün icadından yalnızca 9 yıl sonra, Mart 1956’da Paynter tarafından tanıtıldı.
Başlangıçta daha çok osilatör devresi olarak değerlendirilen bu yapı, zamanla güç elektroniği dünyasında kendine sağlam bir yer edindi. İlk nesil uygulamalar genellikle 50W civarındaki güç dönüşümleri için tercih edilirken, Mart 1975’te Philips tarafından yayımlanan bir uygulama notuyla birlikte, çift transistörlü Forward topolojisi sahneye çıktı. Bu gelişmeyle birlikte Forward Converter’lar, 50W ile 1kW arasındaki uygulamalarda en yaygın kullanılan yalıtımlı dönüştürücü haline geldi.
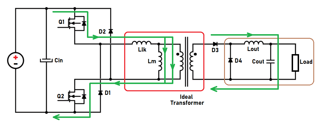
Two-Switch Forward Converter Çalışma Yapısı
Forward dönüştürücüler, esas itibarıyla izolasyonlu bir buck dönüştürücü prensibiyle çalışmaktadır. Aşağıda verilen genel devre yapısında, kahverengi ile belirtilen bölge incelendiğinde bu benzerlik açıkça görülmektedir. Kırmızı ile işaretlenen kısım ise transformatörün eşdeğer devresini temsil etmektedir. Forward topolojisinde, transformatörlerde hava aralığı kullanılmamaktadır; zira hava aralığı, kaçak endüktans değerini artırmaktadır. Bu durum, forward dönüştürücülerde kaçak endüktansın, flyback topolojisine sahip dönüştürücülere kıyasla belirgin biçimde daha düşük olmasını sağlamaktadır.

Forward dönüştürücüler, anahtarlama elemanlarının (burada MOSFET olarak gösterilmektedir) iletimde ve kesimde bulundukları iki temel çalışma durumuna sahiptir. Aşağıdaki şekilde görüleceği üzere, forward dönüştürücülerde iki anahtar aynı anda iletime alınır ve belirlenen görev oranı (duty cycle) süresince iletimlerini sürdürür. Bu iletim süresinde akım, kaynaktan çıkarak sırasıyla Q1 anahtarından, transformatörün primer sargısından ve Q2 anahtarından geçerek devresini tamamlar. Transformatörlerde, nokta işaretiyle belirtilen uçtan primer tarafına giren akım, sekonder tarafında yine nokta işaretli uçtan çıkış yapmalıdır. Bu prensip gereği, sekonder sargıda eşzamanlı olarak indüklenen akım, D3 diyodu üzerinden çıkış filtresine iletilir ve yükü besler.
Forward dönüştürücülerde (half-bridge ve full-bridge topolojileri dahil), yük akımının yükselme eğilimini belirleyen temel unsur, yaygın kanının aksine transformatör değil, çıkış bobinidir. Bu nedenle, tasarım sürecinde öncelikle çıkış bobininin özellikleri belirlenir ve diğer bileşenler buna göre seçilir.
Görev oranı (duty cycle) süresinin tamamlanmasının ardından anahtarlar kesime götürüldüğünde, aşağıdaki şekilde görülebileceği üzere akımlar, serbest dolaşım (freewheeling) diyotları üzerinden yollarını bulur. Bu aşamada, öncelikle transformatörün primer sargısında depolanan kaçak endüktans enerjisi ve manyetik endüktans akımı, giriş kaynağına geri döner. Böylece sargılardaki akım sıfırlanır, başka bir deyişle transformatör “resetlenmiş” olur. Bu işlem, D1 ve D2 diyotlarının iletime geçmesi sayesinde mümkün olmaktadır. Aynı anda, transformatörün manyetik akısı da sıfıra ulaşır. Sekonder tarafta ise, D3 diyodu transformatörden gelebilecek akımı bloke eder. Bu durumda, buck dönüştürücülerde olduğu gibi, D4 diyodu iletime geçerek yük akımının sürekliliğini sağlar. Bu süreçle birlikte forward dönüştürücünün bir anahtarlama çevrimi tamamlanmış olur.
İki anahtarlı forward dönüştürücüde kaçak endüktansın enerjisinin tekrar girişe yönelmesi flyback dönüştürücülerdeki gibi kaçak endüktans enerjisinin ısıyla almayı gerektirmediğinden hem daha verimli hem de daha güçlü yapılar ortaya çıkarmamıza fırsat verirler. 
Two-Switch Forward Converter Temel Sinyal Formları
Aşağıda, iki anahtarlı forward dönüştürücünün temel dalga biçimleri (sinyal formları) verilmiştir. Benzer dalga biçimleri, literatürde yer alan ders kitaplarında veya uygulama notlarında da sıklıkla karşılaşılabilecek niteliktedir. Ancak burada göz ardı edilmemesi gereken önemli husus, bu tür dalga biçimlerinin genellikle sürekli iletim modu (Continuous Conduction Mode – CCM) ve kararlı durum (steady-state) koşulları esas alınarak çizilmiş olmasıdır. T-1 anı PWM’in anahtarla uygulandığı, T-2 anı ise PWM’in uygulanmadığı zaman dilimleri olarak ele alınmıştır.
Sinyal formları hakkında konuşacak olursak;
PWM (Pulse Width Modulation): Anahtarlamalı güç kaynaklarının temel kontrol yöntemi olan PWM, tek veya çift anahtarlı forward dönüştürücülerde görev oranının (duty cycle) %50 değerini kesinlikle aşmaması gerektiği bir tasarım kısıtına sahiptir. Bunun temel nedeni, her anahtarlama çevriminden (cycle) sonra transformatörün manyetik akısının sıfırlanması, yani transformatörün “resetlenmesi” gerekliliğidir. Görev oranının %50’nin üzerine çıkması, resetleme süresini kısaltarak manyetik doyuma (saturation) ve dolayısıyla devre elemanlarının zarar görmesine yol açabilir.
D1-D2 Diyot Gerilim ve Akımı: T-1 anında, D1 ve D2 diyotlarının uçlarında tam DC bara gerilimi bulunur ve diyotların bu gerilime dayanabilecek özellikte seçilmesi gerekir. Bu anda diyotlar üzerinden herhangi bir akım akışı gerçekleşmez. T-2 anına gelindiğinde ise, I-D1 dalga biçiminde görülebileceği üzere, öncelikle transformatörün kaçak endüktansında (Llk) depolanan enerji, yüksek akım olarak D1 ve D2 diyotları üzerinden DC baraya geri döner. Bu sürecin ardından, transformatörün mıknatıslanma endüktansında (Lm) depolanan akım, sıfıra inene kadar diyotlar iletimde kalır. Akımın tamamen sona ermesinin ardından ise D1 ve D2 diyotları iletimden çıkar ve “float” durumda bekler.
Q1-Q2 Mosfet Gerilim ve Akımı: T-1 anında, MOSFET uçlarındaki gerilim değeri sıfıra yaklaşmaktadır. Bu anda MOSFET üzerinden akan toplam akım; öncelikle çıkış bobinindeki dalgalanma akımının (ripple current) transformatör primerine yansıyan bileşeni ile transformatörün mıknatıslanma endüktansından (Lm) akan akımın toplamından oluşmaktadır. Tasarım açısından, primer endüktans akımının çıkış akımının yansıyan bileşenine oranının %5 ile %15 aralığında olması, genel olarak kabul edilebilir bir kriterdir. T-2 anında ise mosfet üzerindeki akım sıfır olurken, Lm primer endüktansı üzerindeki akım sıfıra düşünceye kadar öncelikle DC bara gerilimini, sonrasında ise eğer mosfetler eşse idealde DC bara geriliminin yarısını üzerilerinde taşırlar.
Perimer Endüktans (Lm) Akımı: T-1 anında bu akım [latex]\frac{V}{L} \times t_{\mathrm{on}}[/latex] şeklinde yükselir. T-2 anında ise kendiliğinden D1 ve D2 diyotlarını kullanarak akımı sıfıra düşer. Lm akımının sıfıra düşmesi trafonun ayrıca resetlendiği anlamı taşır.
D3 ve D4 Diyot Gerilim ve Akımları: T-1 anında, MOSFET’lerin iletime geçmesiyle birlikte D3 diyodu da iletime girerek sekonder devreye akım iletir. Bu anda, D3 diyodundan akan akım dalga biçimi, çıkış bobinindeki akım dalga biçimi ile aynı formu gösterir. D4 diyodu ise bu sürede iletimde değildir; ancak trafodan gelen gerilime dayanabilecek özellikte seçilmelidir. T-2 anına geçildiğinde, transformatörün primer mıknatıslanma endüktansında (Lm) depolanan enerji tamamen boşalana kadar D3 diyodu kesime gider. Bu durumda D3 diyodunun uçlarında, transformatör dönüşüm oranı ile orantılı bir gerilim oluşur. Aynı anda D4 diyodu, buck dönüştürücülerdeki serbest dolaşım diyodu gibi davranarak çıkış bobininden akan akımın sürekliliğini sağlar ve akım dalga biçimi yine çıkış bobini ile aynı formu taşır. Ortalama akım açısından değerlendirildiğinde, görev oranı (duty cycle) %50’nin altında olduğu her durumda ki genelde böyle olur, D3 diyodunun ortalama akımı, D4 diyodunun ortalama akımından daima daha düşük olmaktadır. Bir diğer deyişle D4 diyodu D3 diyodundan her zaman daha fazla ısınacaktır.
Çıkış L ve C Akımları: Buradaki akım şekilleri CCM çalışan bir buck dönüştürücü devresindeki gibi çalışır. Bobinin ripple akım değerini çıkış kapasitesi karşılamak zorundadır. Yük ise bobin üzerindeki DC bileşeni üzerine alır.
Örnek Uygulama Kriterleri
Two-Switch Forward dönüştürücü örneği için 2 adet 12V seri bir aküyü şarj edebilecek bir uygulama üzerinde ilerlemeyi uygun gördüm. Giriş gerilimi olarak ise avrupa gerilim standart aralığını seçtim; bunun nedenini diğer bölümlerde açıklayacağım.
Bundan sonraki bölümlerde giriş katından başlayarak test sonucuna kadar adım adım teorik hesaplamalarla birlikte, simülasyon ve gerçek ortamın karşılaştırılması yapılacaktır. Ayrıca bu tür dönüştürücüde dikkat edilmesi gereken püf nokta ve özellikle EMC konusunda ne gibi hususlara dikkat edilmesi gerektiğine de değineceğim.
Konu ile ilgili sorularınızı yorum bölümünden iletebilirsiniz. İkinci bölüme buradan ulaşabilirsiniz.
Herkese çalışmalarında başarılar dilerim!